ДО 42
Описание
Пружинные виброизоляторы серии ДО предназначены для уменьшения динамических усилий, передающихся на различные конструкции от установленных на них вентиляторов, для снижения шумового фона и вредных механических нагрузок на смежную аппаратуру и обслуживающий персонал. Не рекомендуется применение виброизоляции при числе оборотов вентилятора менее 400-500 об/мин., т.к. она оказывается малоэффективной.
Характеристики
Число
рабочих
витков
5,6
Нагрузка Р, кг Рабочая
(Рраб.)
94,2
Нагрузка Р, кг Предельная
(Рпр.)
117,7
Вертикальная
жесткость,
кг/см2
16,5
Высота в
свободном
состоянии,
h мм
170
Осадка
пружины
под
нагрузкой,
мм (Рраб.)
57,2
Осадка
пружины
под
нагрузкой,
мм (Рпр.)
72
Масса,
кг
1,8
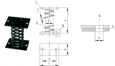
Размеры, мм L
150
Размеры, мм А
120
Размеры, мм В
110
Размеры, мм Dcp
72
Размеры, мм d
8
Размеры, мм dl
14
Размеры, мм d2
10,5
Отзывы

Помощь
+7 (800) 555-97-68
Отдел продаж
+7 (495) 859-09-77
Бесплатный звонок по РФ
Если у вас возникли вопросы при оформлении заказа, обратитесь по указанным контактам.


.png)















