ДО 41
Описание
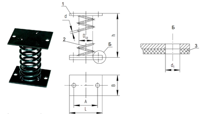
Пружинные виброизоляторы серии ДО предназначены для уменьшения динамических усилий, передающихся на различные конструкции от установленных на них вентиляторов, для снижения шумового фона и вредных механических нагрузок на смежную аппаратуру и обслуживающий персонал. Не рекомендуется применение виброизоляции при числе оборотов вентилятора менее 400-500 об/мин., т.к. она оказывается малоэффективной.
Характеристики
Число
рабочих
витков
5,6
Нагрузка Р, кг Рабочая
(Рраб.)
54
Нагрузка Р, кг Предельная
(Рпр.)
67,4
Вертикальная
жесткость,
кг/см2
15,4
Высота в
свободном
состоянии,
h мм
129
Осадка
пружины
под
нагрузкой,
мм (Рраб.)
43,4
Осадка
пружины
под
нагрузкой,
мм (Рпр.)
54
Масса,
кг
1.0
Размеры, мм L
130
Размеры, мм А
100
Размеры, мм В
90
Размеры, мм Dcp
54
Размеры, мм d
6
Размеры, мм dl
14
Размеры, мм d2
10,5
Отзывы

Помощь
+7 (800) 555-97-68
Отдел продаж
+7 (495) 859-09-77
Бесплатный звонок по РФ
Если у вас возникли вопросы при оформлении заказа, обратитесь по указанным контактам.


.png)















