ДО 38
Описание
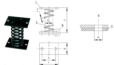
Пружинные виброизоляторы серии ДО предназначены для уменьшения динамических усилий, передающихся на различные конструкции от установленных на них вентиляторов, для снижения шумового фона и вредных механических нагрузок на смежную аппаратуру и обслуживающий персонал. Не рекомендуется применение виброизоляции при числе оборотов вентилятора менее 400-500 об/мин., т.к. она оказывается малоэффективной.
Характеристики
Число
рабочих
витков
5,6
Нагрузка Р, кг Рабочая
(Рраб.)
12,2
Нагрузка Р, кг Предельная
(Рпр.)
15,2
Вертикальная
жесткость,
кг/см2
4,5
Высота в
свободном
состоянии,
h мм
72
Осадка
пружины
под
нагрузкой,
мм (Рраб.)
27
Осадка
пружины
под
нагрузкой,
мм (Рпр.)
33,7
Масса,
кг
0,3
Размеры, мм L
100
Размеры, мм А
70
Размеры, мм В
60
Размеры, мм Dcp
30
Размеры, мм d
3
Размеры, мм dl
12
Размеры, мм d2
8,5
Отзывы

Помощь
+7 (800) 555-97-68
Отдел продаж
+7 (495) 859-09-77
Бесплатный звонок по РФ
Если у вас возникли вопросы при оформлении заказа, обратитесь по указанным контактам.


.png)















